
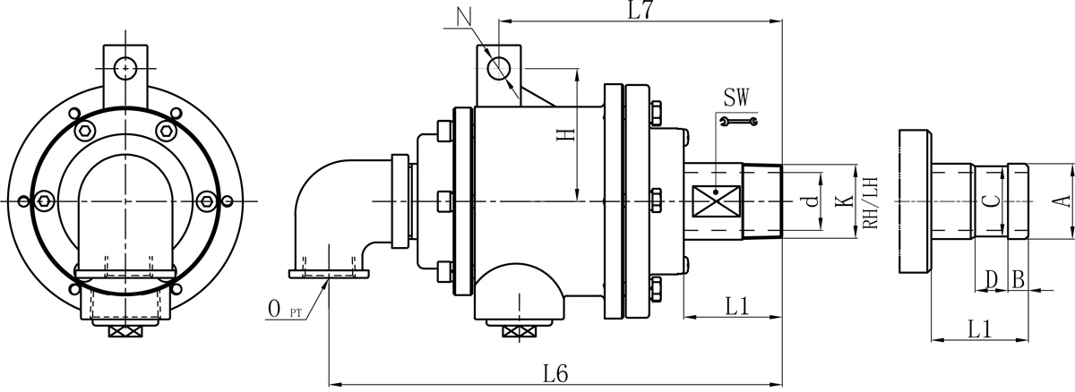
| Model | K | O | d | L1 | L6 | L7 | N | H | SW | 法蘭式外管尺寸對照表 | |||
| A | B | C | D | ||||||||||
| 25A | R1" | Rc1" | 23.5 | 53 | 236 | 153 | 12 | 66 | 32 | 34 | 12 | 32 | 18 |
| 32A | R1-1/4" | Rc1-1/4" | 30 | 55 | 267 | 171 | 14 | 78 | 39 | 40 | 13 | 38 | 20 |
| 40A | R1-1/2" | Rc1-1/2" | 36 | 65 | 288 | 187 | 14 | 85 | 46 | 47.8 | 13 | 45 | 20 |
| 50A | R2" | Rc2" | 45 | 73 | 327 | 213 | 14 | 93 | 57 | 60 | 16 | 57 | 24 |
如屬規格品外,本公司可配合要求制作。
規格尺寸如有修改,恕不另行通知。
Copyright ?福建省閩旋科技股份有限公司 版權所有 閩ICP備05026600號 中機標準化研究院 網站建設:科偉網絡